Saatke meile e-kiri
Tooted
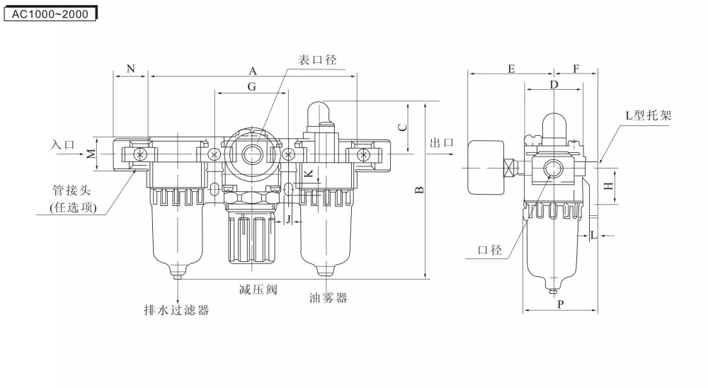
SMC tüüpi vahelduvvoolu FRL-seade
  • SMC tüüpi vahelduvvoolu FRL-seadeSMC tüüpi vahelduvvoolu FRL-seade
  • SMC tüüpi vahelduvvoolu FRL-seadeSMC tüüpi vahelduvvoolu FRL-seade
  • SMC tüüpi vahelduvvoolu FRL-seadeSMC tüüpi vahelduvvoolu FRL-seade

SMC tüüpi vahelduvvoolu FRL-seade

Model:AC2000-02
SMC tüüpi vahelduvvoolu FRL-seade (Filter-Regulator-Lubricator) on pneumaatiline põhikomponent, mis ühendab endas õhuallika filtreerimise, rõhu vähendamise ja reguleerimise ning määrimistöötluse. See tagab pneumaatiliste süsteemide jaoks puhta, stabiilse ja määritud suruõhu, pikendades seeläbi pneumaatiliste komponentide eluiga ja suurendades süsteemi stabiilsust.OLK AC-seeria FRL-üksus toimib kaasaegsete pneumaatiliste süsteemide olulise "kaitsjana".
  • Brand:

    OLK
  • Type:

    SMC TYPE AC SERIES
  • Port size:

    PT1/8 ; PT1/4 ; PT3/8 ; PT1/2 ; PT3/4 ; PT1
  • Filter Material:

    Copper filter

SMC tüüpi vahelduvvoolu FRL-seadme omadused ja disain:

Iselukustuv reguleerimine: sellel on survega iselukustuv mehhanism. Kui soovitud rõhk on seadistatud, vajutage selle lukustamiseks lihtsalt nuppu alla. See hoiab ära seatud rõhu muutumise välise vibratsiooni või juhusliku kokkupuute tõttu.

Mitmekülgne drenaaž: saadaval nii käsitsi kui ka automaatse äravooluga, mis sobivad erinevatele töötingimustele. Läbipaistev kauss võimaldab hõlpsalt jälgida veetaset.

Kõrge täpsusega mõõtur: varustatud ülitäpse manomeetriga selgete ja täpsete näitude jaoks ning süsteemi rõhu jälgimiseks reaalajas.

SMC tüüpi vahelduvvoolu FRL-i üksuse teatis:

Kontrollige voolu suunda: Enne paigaldamist kontrollige õhuvoolu suunda! Ventiili korpuse ülaosas on voolusuuna märgid (nooled või IN/OUT). Paigaldamisel järgige rangelt neid indikaatoreid. Tagurpidi paigaldamine põhjustab talitlushäireid või lekkeid.

Regulaarne hooldus: Kontrollige regulaarselt kausi veetaset ja tühjendage see, kui kasutate käsitsi äravoolutüüpi. Täitke määrdeõli uuesti, kui seda on vähe (soovitatav on ISO VG32 turbiiniõli).

SMC tüüpi vahelduvvoolu FRL-i üksuse sümbol:

Tellimiskood

AC

2000

-

02

-

D

Sarja kood

Kesta suurus

 

Pordi suurus:

 

Tühjendusmeetod

AC: SMC tüüpi vahelduvvoolu FRL-ühik

1000

 

M5:M5

 

Tühi: käsitsi tühjendus

 

2000

 

02:1/4

 

V: Diferentsiaalrõhu äravool

 

3000

 

03:3/8

 

D: Automaatne äravool

 

4000

 

04:1/2

 

 

 

5000

 

06:3/4

 

 

 

 

 

10:1

 

 

 

Tõestus surve

1,5 MPa (15,3 kgf/cm³)

Max.Töörõhk

1,0 MPa (10,2 kgf/cm³)

Keskkond ja vedeliku temperatuur

5-60 ℃

Filtri ava

5 μm

Õli

ISOVG32

Tassi materjalid

PC

Tassi kapuuts

AC1000-2000 (ILMA) AC3000-5000 (KOOS)

Rõhu reguleerimise vahemik

AC1000: 0,05–0,7 Mpa (0,51–7,1 kgf/cm³)

AC2000-5000: 0,05-0,085 MPa (0,51-8,7 kgf/cm³)

Manomeetri avauste seeria


2000 seeria

3000 seeria

4000 seeria

5000 seeria

AW

1/8

1/4

AC

BR

1/4

-

BFC

-

SMC tüüpi vahelduvvoolu FRL-seadme paigaldamise etapid:

Esmalt paigaldage vuugid mähitud PTFE-lindi ja manomeetriga

2. Järgige noole suunda: vasak pool on õhu sisselaskeava ja parem külg on õhu väljalaskeava

3. Ühendage õhutorud mõlemas otsas vastavate liitmikega

4. Tõstke rõhu reguleerimise mutter üles ja pöörake seda rõhu reguleerimiseks; päripäeva keeramine suurendab õhuvoolu, vastupäeva keeramine aga vähendab õhuvoolu

5. Reguleerige soovitud õhurõhku, seejärel vajutage reguleerimismutrit allapoole, et õhk lukustada

6. Kui vajate kütust, keerake õliõli kruvi lahti

7. Valage pneumaatiline hooldusõli või turbiiniõli õli sisselaskeavasse (veenduge, et pneumaatiline õli ei ületaks tassil näidatud õlitaseme joont)

8. Pärast pneumaatilise õli täitmist pingutage mutter kuuskantvõtmega

9. Reguleerige õlivarustust pöörates: päripäeva suurendab õlivoolu, vastupäeva vähendab seda


Drenaaži tüüp

Tööpõhimõte

Rakenduskeskkond

Eelised

Puudused

Käsitsi äravool

Filtrikaussi kogunenud vesi tühjendatakse tühjendusventiili regulaarsete ajavahemike järel käsitsi keerates või vajutades. Kas drenaaž on täielik, sõltub täielikult käsitsi juhtimisest.

Lihtsad süsteemid või rakendused, mille drenaaživajadused on harvad.

Lihtne struktuur, madal rikete määr, täiendavat hooldust pole vaja.

Toetub käsitsi juhtimisele; tühjendamist on lihtne unustada. Liigne vee kogunemine võib mõjutada filtreerimise jõudlust.

Diferentsiaalrõhu äravool

Kasutab rõhuerinevust enne ja pärast filtrit. Kui kondensaadi kogunemine suureneb ja rõhuerinevus saavutab eelseadistatud väärtuse, avaneb äravool automaatselt. See sulgub uuesti, kui rõhuerinevus normaliseerub. Töötab ainult õhurõhu ja õhuvoolu korral.

Stabiilse õhuvarustuse ja lihtsate töötingimustega keskkonnad, kus käsitsi juhtimine pole mugav.

Toiteallikat pole vaja. Automaatne äravool, usaldusväärsem kui käsitsi äravool.

Nõuab stabiilset õhurõhku. Drenaaži jõudlus on pikkade seiskamiste ajal või rõhuerinevuse puudumisel piiratud.

Automaatne äravool

Kasutab ujukmehhanismi või taimerit. Kui kondensaat jõuab teatud tasemeni, avaneb äravool automaatselt

Kõrgete suruõhu kvaliteedinõuetega automatiseeritud tootmisliinid ja süsteemid.

Kõige õigeaegsem ja stabiilsem drenaaži jõudlus.

Suhteliselt kõrgem kulu.


KKK:

Miks seda nimetatakse AC FRL-iks?

AF (õhufilter) + AR (rõhureguleerimisklapp) + AL (õliudu määrdeseade) = AC kolmikseade


Soovitatav ühendusviis

Õhukompressor -- Õhuallika protsessor -- Juhtkomponent -- Täiturmehhanism


Mida teha, kui plasttopsi kaitsekate läheb sageli kergesti katki?

Mõned kliendid leiavad sageli, et plasttopsid pragunevad mitte surve, vaid materjali tõttu. Plasttopsid ei ole teatud keskkondadele vastupidavad, mistõttu on metalltopsid teatud tingimustes parem alternatiiv


Kuidas pikendada solenoidklapi silindrite kasutusiga?

Filtri kasutamine võib eemaldada õhust niiskuse ja lisandid, vähendades tõhusalt kolbide ja tihendusrõngaste hõõrdumist. Turbiiniõli lisamiseks saab kasutada määrdeainet, mis seejärel õhuga edasi kantakse silindri kolvi ja tihendusrõngaste määrimiseks. Rõhuregulaator saab reguleerida sisselaskeõhu rõhku, parandades veelgi töö efektiivsust


Mis materjalist on OLK filterelement tehtud?

OLK kasutab vasest filtrielemente, mille filtreerimistäpsus on 25 μm, tavaliste fiiberfiltri elementide täpsus on aga vaid 5 μm. Kõrge täpsusega filtrielemendid suudavad tõhusalt eemaldada gaasist lisandeid ja niiskust, tagades, et väljundõhk on kuiv ja saasteainetevaba


Kuumad sildid: SMC tüüpi vahelduvvoolu FRL-seade, Hiina, tootja, tarnija, tehas
Saada päring
Kontaktinfo
Tere tulemast meie kodulehele! Kui soovite küsida meie toodete või hinnakirja kohta, jätke meile oma e-kiri ja me võtame teiega ühendust 24 tunni jooksul.
E-post
cici@olkptc.com
Mobiilne
+86-13736765213
Aadress
Zhengtai tee, Xinguangi tööstustsoon, Liushi, Yueqing, Wenzhou, Zhejiang, Hiina.
X
Kasutame küpsiseid, et pakkuda teile paremat sirvimiskogemust, analüüsida saidi liiklust ja isikupärastada sisu. Seda saiti kasutades nõustute meie küpsiste kasutamisega. Privaatsuspoliitika
Keeldu Nõustu