Saatke meile e-kiri
Tooted
TAC -pneumaatiline lülitusventiil
  • TAC -pneumaatiline lülitusventiilTAC -pneumaatiline lülitusventiil

TAC -pneumaatiline lülitusventiil

Professionaalse tootjana soovib OLK teile TAC -pneumaatilise lülitusventiili pakkuda. Ja OLK pakub teile parimat müügijärgset teenust ja õigeaegset kohaletoimetamist.

TAC -pneumaatiline lülitusventiil (tuntud ka kui lülitusventiil) on täppislülituskomponent, mis on spetsiaalselt loodud pneumaatiliste süsteemide ja vedeliku juhtimiseks. Oma ainulaadse sisselülitus-tüüpi juhtimisstruktuuri abil saavutab see kiire lülituse ja vedelikuteede täpse kontrolli.

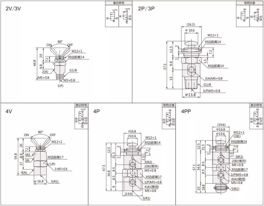
TAC -seeria lülitusventiilil on 2 positsiooni 2 -suunalist, 2 -positsiooni 3 -suunalist ja 2 positsiooni 5 suunas. Viieldage kangi tüüpi ja kahte tüüpi niit: M5, G1/8.

Rakenduse stsenaariumid

Tööstusautomaatikaseadmed, mehaaniline töötlemine, ehitusmaterjalide töötlemine, energia ja kaevandamine, toidu- ja joogitööstus, meditsiiniline seadmed jne.

Tooteomadused

See on väikese suurusega, nõuab vähe paigaldusruumi ja on intuitiivne käsitsi töötamiseks, muutes selle sobivaks stsenaariumide jaoks, mis nõuavad sagedast vahetamist.

TAC -lülitusventiili sümbol ja kontuur

Kood

Tac

2

__

2

P

 

 

 

 

 

TAC -seeria lülitusventiil

 

 

2: 2Position 2 suunas (M5)

P: vajutage nuppu Tüüp

 

 

 

3: 2 positsioon 3 teed (M5)

V: Käsi kangi tüüp

 

 

 

4: 2 Polition 5 Way (M5)

PP: topeltpulknupp

 

 

 

31: 2 positsioon 3 teed (G1/8)

 

 

 

 

41: 2 Polition 5 Way (G1/8)

 

 

Mudel

Sadamasuurus

 

Arv
positsioon

Tulemuslik  
ristlõikepiirkond

Rõhuvahemik

Töövedelik

Ümbritsev
Temperatuur

 

TAC-2V

Sisselaskeava = Outlet = M5   

2 positsiooni 2 suunas

1,9 mm²

0,05 ~ 0,9PPa

Õhk

0 ~ 60

TAC-2P

Sisselaskeava = Outlet = M5   

2 positsiooni 2 suunas

1,9 mm²

TAC-3V

Sisselaskeava = Outlet = M5   

2 positsiooni 3 teed

1,9 mm²

TAC-3P

Sisselaskeava = Outlet = M5   

2 positsiooni 3 teed

1,9 mm²

TAC-4V

Sisselaskeava = Outlet = M5   

2 positsiooni 5 suunas

1,9 mm²

TAC-4P

Sisselaskeava = Outlet = M5   

2 positsiooni 5 suunas

1,9 mm²

4pp

G1/8

 

2 positsiooni 5 suunas

4,5 mm²

TAC2-31V

Sisselaskeava = väljalaskeava = heitgaas = G1/8   

2 positsiooni 3 teed

4,5 mm²

TAC2-31P

Sisselaskeava = väljalaskeava = heitgaas = G1/8   

2 positsiooni 3 teed

4,5 mm²

TAC2-41V

Sisselaskeava = Outlet = G1/8 heitgaasi = m5

2 positsiooni 5 suunas

4,5 mm²

TAC2-41P

Sisselaskeava = Outlet = G1/8 heitgaasi = m5

2 positsiooni 5 suunas

4,5 mm²

TAC2-41PP

Sisselaskeava = Outlet = G1/8 heitgaasi = m5

2 positsiooni 5 suunas

4,5 mm²

KKK:

Mis vahe on lülitusventiili ja mehaanilise klapi vahel?

Seda saab eristada lülitusventiili ja mehaanilist klapi juhtimis tüübi järgi: lülitusventiil on kangivarvitüüp, mehaaniline ventiil on vajutusnupu tüüp või rulli tüüp

 

Mis vahe on lülitusventiilil ja muudel ventiilidel?

Täpne kontroll: lülitusventiilid saavutavad peene voolu reguleerimise läbi koonilise klapi südamiku, mis sobib täpseks juhtimiseks väikeste läbimõõduga torustikes, samas kui kuulventiilid sobivad paremini kiireks avamiseks ja sulgemiseks.

Kuumad sildid: TAC -pneumaatiline lülitusventiil, Hiina, tootja, tarnija, tehas
Saada päring
Kontaktinfo
Tere tulemast meie kodulehele! Kui soovite küsida meie toodete või hinnakirja kohta, jätke meile oma e-kiri ja me võtame teiega ühendust 24 tunni jooksul.
E-post
cici@olkptc.com
Mobiilne
+86-13736765213
Aadress
Zhengtai tee, Xinguangi tööstustsoon, Liushi, Yueqing, Wenzhou, Zhejiang, Hiina.
X
Kasutame küpsiseid, et pakkuda teile paremat sirvimiskogemust, analüüsida saidi liiklust ja isikupärastada sisu. Seda saiti kasutades nõustute meie küpsiste kasutamisega. Privaatsuspoliitika
Keeldu Nõustu